深华创(苏州)智能科技有限公司

深圳市华创智能设备有限公司致力于精密数控四轴、五轴转台研发、生产和销售

24小时热线 18944276860 贺先生(苏州)

产品中心

热门关键词: HF170 HS-170 HSN-340L HF-210S

  • HSN-340L
2/4
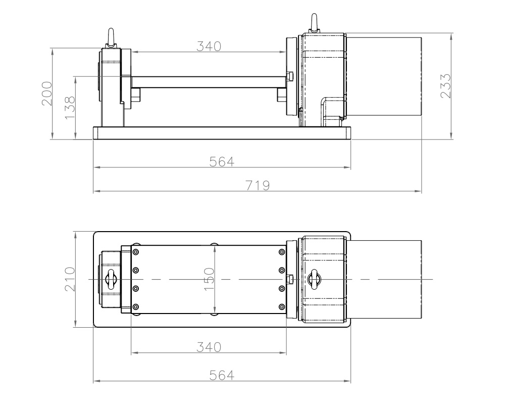
HSN-340L
全国热线

18944276860 贺先生(苏州)

项目 单位 HSN-340L HSN-480L HSN-480L
桥板
尺寸
mm 340*150 480*220 560*220
中心高 mm 138 180 180
桥板
平面度
mm 士0.01 士0.01 士0.015
减速比   121 121 121
输出
转速
min 34 34 34
定位
精度
sec 30" 30" 30"
重复
精度
sec 30" 10’’ 10’’
电机
功率
w 750W 1000W 1000-1500W
最大
连续
转矩
Nm 310 492 492
倾转
危度
deg 360° 士110* 360°
桥板
负软
重量
Kg 40 50 80
转台
重量
Kg 68 110 132
适配
机床
  钻攻

精雕
850
加工中心
850
加工中心

尺寸图:

热品推荐 / Hot product

全国服务热线

18944276860 贺先生(苏州)
18138774244 谢先生(深圳)