| 项目 | 单位 | HF - 160 S |
HF - 170 S |
HF - 210 S |
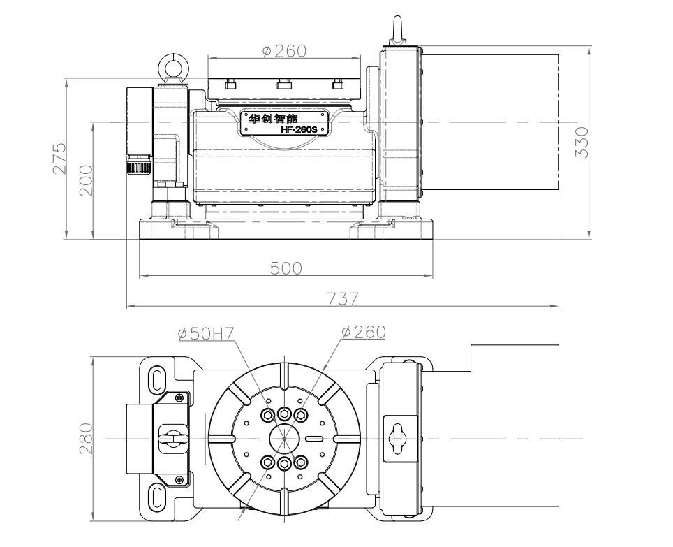
HF - 260 S |
|||||||
| 转 台 直 径 |
mm | 160 | 170 | 210 | 26024 | |||||||
| 中 心 孔 直 径 |
mm | φ 20 H7 |
φ 20 H7 |
φ 20 H7 |
φ 50 H7 |
|||||||
| 中 心 高 |
mm | 125 | 140 | 180 | 200 | |||||||
| 转 盘 高 度 |
mm | 190 | 220 | 270 | 275 | |||||||
| 盘 面 跳 动 |
mm | 0.01 | 0.01 | 0.01 | 0.01 | |||||||
| 夹 具 安 装 螺 丝 |
mm | 8 - M6 |
4 - 12 H7 |
4 - 14 H7 |
8 - 14 H7 |
|||||||
| 减 速 比 |
C 轴 |
A 轴 |
C 轴 |
A 轴 |
C 轴 |
A 轴 |
C 轴 |
A 轴 |
||||
| 80 | 121 | 80 | 121 | 121 | 121 | 121 | 121 | |||||
| 输 出 转 速 |
min | 24 | 37 | 24 | 37 | 37 | 37 | 34 | 34 | |||
| 定 位 精 度 |
sec | 30’’ | 30’’ | 30’’ | 30’’ | 30’’ | 30’’ | 30’’ | 30’’ | |||
| 重 复 精 度 |
sec | 10'' | 5’’ | 10'' | 5’’ | 10’’ | 10’’ | 10’’ | 10’’ | |||
| 电 机 功 率 |
KW | 0.4 | 0.75 | 0.4 | 0.75 | 0.4 / 0.75 |
0.75 / 1 |
0.75 | 0.75 / 1.5 |
|||
| 最 大 连 续 转 矩 |
Nm | 85 | 310 | 85 | 310 | 310 | 420 | 460 | 692 | |||
| 倾 转 角 度 |
deg | 土 110° |
土 110° |
土 110° |
土 110° |
|||||||
| 最 大 负 载 |
0 度 |
Kg | 30 | 35 | 40 | 55 | ||||||
| 90 度 |
Kg | 18 | 22 | 30 | 40 | |||||||
| 转 台 重 量 |
kg | 66 | 74 | 126 | 208 | |||||||
| 适 配 机 型 |
钻 攻 、 精 雕 机 |
钻 攻 、 精 雕 机 |
850 加 工 中 心 |
850 加 工 中 心 |
||||||||
